返回上一页
【2026新增】(图形题)(单选题)在下图所示液压回路中,数字“2”指的是( )。
课程:
新铁路机车司机理论考试题库
(TL2201108F)
考试类型:
铁路机务
题目类型:
单选题
收费类型:
收费
上传时间:
2026-04-14 23:04:48
【2026新增】
(图形题)(单选题)
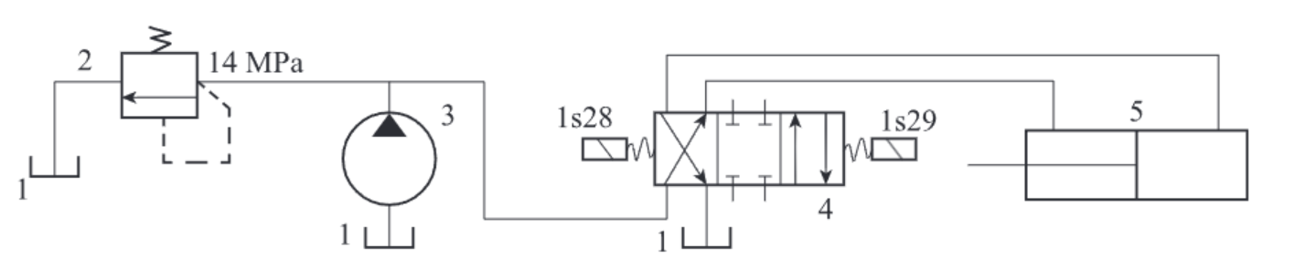
在下图所示液压回路中,数字“2”指的是( )。
A.
油缸
B.
溢流阀
✓ 正确答案
C.
液压泵
D.
换向阀
详细解析
考查液压系统中基本元件的识别与功能,重点是溢流阀的安装位置和作用。
本题要求掌握传动基础知识液压原件的图形符号。1表示液压邮箱;
2表示溢流阀
;
3表示液压泵;4表示电磁换向阀;5表示液压油缸。
相关题目推荐
【2026新增】【考试中出现1道、分值5分、漏选得分、选错不得分】(综合题)制动机性试验中,漏泄试验时单独制动阀减压50kPa保压1 min,制动缸压降不超过( )kPa;自动制动阀实施50kPa制动主管减压时,制动缸压力达( )kPa;实施140kPa减压时,制动缸升压时间为( )s;紧急制动时制动缸压力为( )kPa;单独制动阀制动时,制动缸压力0升至340kPa的时间不大于( )s;旁路制动
多选题
【2026新增】【考试中出现1道、分值5分、漏选得分、选错不得分】(综合题)液力变矩器的空腔内充满着( ),动力机带动( )旋转,将机械能转化为液体的( );液流由泵轮流入( ),并将动能转化为( )输出;液流再流入( ),其导向作用有利于液流返回且能( )涡轮转矩。
多选题
【2026新增】(图形题)(多选题)YZ-1型空气制动机中继阀的作用位有( )。
多选题
【2026新增】(图形题)(单选题)如下图所示,此类电磁换向阀为( )。
单选题
【2026新增】【考试中出现1道、分值5分、漏选得分、选错不得分】(综合题)离合器分离不彻底的原因有( )。
多选题
基本
文件
流程
错误
SQL
调试
请求信息 : 2026-04-17 16:15:36 HTTP/1.0 GET : 36.150.231.178/index/question/detail/id/4190130
运行时间 : 0.064055s [ 吞吐率:15.61req/s ] 内存消耗:4,079.41kb 文件加载:138
查询信息 : 3 queries 0 writes
缓存信息 : 0 reads,1 writes
配置加载 : 76
/www/wwwroot/thinker/admin/public/index.php ( 0.96 KB )
/www/wwwroot/thinker/admin/thinkphp/start.php ( 0.72 KB )
/www/wwwroot/thinker/admin/thinkphp/base.php ( 2.60 KB )
/www/wwwroot/thinker/admin/thinkphp/library/think/Loader.php ( 21.07 KB )
/www/wwwroot/thinker/admin/vendor/composer/autoload_static.php ( 16.97 KB )
/www/wwwroot/thinker/admin/vendor/symfony/polyfill-php80/bootstrap.php ( 1.50 KB )
/www/wwwroot/thinker/admin/vendor/symfony/polyfill-mbstring/bootstrap.php ( 8.26 KB )
/www/wwwroot/thinker/admin/vendor/symfony/polyfill-intl-normalizer/bootstrap.php ( 0.71 KB )
/www/wwwroot/thinker/admin/vendor/symfony/polyfill-intl-idn/bootstrap.php ( 4.52 KB )
/www/wwwroot/thinker/admin/vendor/symfony/deprecation-contracts/function.php ( 0.98 KB )
/www/wwwroot/thinker/admin/vendor/ralouphie/getallheaders/src/getallheaders.php ( 1.60 KB )
/www/wwwroot/thinker/admin/vendor/guzzlehttp/promises/src/functions_include.php ( 0.16 KB )
/www/wwwroot/thinker/admin/vendor/guzzlehttp/promises/src/functions.php ( 9.89 KB )
/www/wwwroot/thinker/admin/vendor/guzzlehttp/psr7/src/functions_include.php ( 0.15 KB )
/www/wwwroot/thinker/admin/vendor/guzzlehttp/psr7/src/functions.php ( 13.09 KB )
/www/wwwroot/thinker/admin/vendor/guzzlehttp/guzzle/src/functions_include.php ( 0.16 KB )
/www/wwwroot/thinker/admin/vendor/guzzlehttp/guzzle/src/functions.php ( 9.70 KB )
/www/wwwroot/thinker/admin/vendor/symfony/polyfill-php73/bootstrap.php ( 0.99 KB )
/www/wwwroot/thinker/admin/vendor/markbaker/complex/classes/src/functions/abs.php ( 0.81 KB )
/www/wwwroot/thinker/admin/vendor/markbaker/complex/classes/src/functions/acos.php ( 1.04 KB )
/www/wwwroot/thinker/admin/vendor/markbaker/complex/classes/src/functions/acosh.php ( 0.90 KB )
/www/wwwroot/thinker/admin/vendor/markbaker/complex/classes/src/functions/acot.php ( 0.74 KB )
/www/wwwroot/thinker/admin/vendor/markbaker/complex/classes/src/functions/acoth.php ( 0.76 KB )
/www/wwwroot/thinker/admin/vendor/markbaker/complex/classes/src/functions/acsc.php ( 0.83 KB )
/www/wwwroot/thinker/admin/vendor/markbaker/complex/classes/src/functions/acsch.php ( 0.86 KB )
/www/wwwroot/thinker/admin/vendor/markbaker/complex/classes/src/functions/argument.php ( 0.81 KB )
/www/wwwroot/thinker/admin/vendor/markbaker/complex/classes/src/functions/asec.php ( 0.83 KB )
/www/wwwroot/thinker/admin/vendor/markbaker/complex/classes/src/functions/asech.php ( 0.85 KB )
/www/wwwroot/thinker/admin/vendor/markbaker/complex/classes/src/functions/asin.php ( 1.01 KB )
/www/wwwroot/thinker/admin/vendor/markbaker/complex/classes/src/functions/asinh.php ( 0.91 KB )
/www/wwwroot/thinker/admin/vendor/markbaker/complex/classes/src/functions/atan.php ( 1.34 KB )
/www/wwwroot/thinker/admin/vendor/markbaker/complex/classes/src/functions/atanh.php ( 1.08 KB )
/www/wwwroot/thinker/admin/vendor/markbaker/complex/classes/src/functions/conjugate.php ( 0.74 KB )
/www/wwwroot/thinker/admin/vendor/markbaker/complex/classes/src/functions/cos.php ( 0.92 KB )
/www/wwwroot/thinker/admin/vendor/markbaker/complex/classes/src/functions/cosh.php ( 0.90 KB )
/www/wwwroot/thinker/admin/vendor/markbaker/complex/classes/src/functions/cot.php ( 0.83 KB )
/www/wwwroot/thinker/admin/vendor/markbaker/complex/classes/src/functions/coth.php ( 0.74 KB )
/www/wwwroot/thinker/admin/vendor/markbaker/complex/classes/src/functions/csc.php ( 0.82 KB )
/www/wwwroot/thinker/admin/vendor/markbaker/complex/classes/src/functions/csch.php ( 0.84 KB )
/www/wwwroot/thinker/admin/vendor/markbaker/complex/classes/src/functions/exp.php ( 0.92 KB )
/www/wwwroot/thinker/admin/vendor/markbaker/complex/classes/src/functions/inverse.php ( 0.87 KB )
/www/wwwroot/thinker/admin/vendor/markbaker/complex/classes/src/functions/ln.php ( 0.94 KB )
/www/wwwroot/thinker/admin/vendor/markbaker/complex/classes/src/functions/log2.php ( 1.06 KB )
/www/wwwroot/thinker/admin/vendor/markbaker/complex/classes/src/functions/log10.php ( 1.08 KB )
/www/wwwroot/thinker/admin/vendor/markbaker/complex/classes/src/functions/negative.php ( 0.76 KB )
/www/wwwroot/thinker/admin/vendor/markbaker/complex/classes/src/functions/pow.php ( 1.27 KB )
/www/wwwroot/thinker/admin/vendor/markbaker/complex/classes/src/functions/rho.php ( 0.84 KB )
/www/wwwroot/thinker/admin/vendor/markbaker/complex/classes/src/functions/sec.php ( 0.71 KB )
/www/wwwroot/thinker/admin/vendor/markbaker/complex/classes/src/functions/sech.php ( 0.74 KB )
/www/wwwroot/thinker/admin/vendor/markbaker/complex/classes/src/functions/sin.php ( 0.87 KB )
/www/wwwroot/thinker/admin/vendor/markbaker/complex/classes/src/functions/sinh.php ( 0.90 KB )
/www/wwwroot/thinker/admin/vendor/markbaker/complex/classes/src/functions/sqrt.php ( 0.81 KB )
/www/wwwroot/thinker/admin/vendor/markbaker/complex/classes/src/functions/tan.php ( 1.21 KB )
/www/wwwroot/thinker/admin/vendor/markbaker/complex/classes/src/functions/tanh.php ( 1.11 KB )
/www/wwwroot/thinker/admin/vendor/markbaker/complex/classes/src/functions/theta.php ( 1.25 KB )
/www/wwwroot/thinker/admin/vendor/markbaker/complex/classes/src/operations/add.php ( 1.26 KB )
/www/wwwroot/thinker/admin/vendor/markbaker/complex/classes/src/operations/subtract.php ( 1.28 KB )
/www/wwwroot/thinker/admin/vendor/markbaker/complex/classes/src/operations/multiply.php ( 1.41 KB )
/www/wwwroot/thinker/admin/vendor/markbaker/complex/classes/src/operations/divideby.php ( 1.75 KB )
/www/wwwroot/thinker/admin/vendor/markbaker/complex/classes/src/operations/divideinto.php ( 1.75 KB )
/www/wwwroot/thinker/admin/vendor/markbaker/matrix/classes/src/Functions/adjoint.php ( 0.69 KB )
/www/wwwroot/thinker/admin/vendor/markbaker/matrix/classes/src/Functions/antidiagonal.php ( 0.74 KB )
/www/wwwroot/thinker/admin/vendor/markbaker/matrix/classes/src/Functions/cofactors.php ( 0.70 KB )
/www/wwwroot/thinker/admin/vendor/markbaker/matrix/classes/src/Functions/determinant.php ( 0.71 KB )
/www/wwwroot/thinker/admin/vendor/markbaker/matrix/classes/src/Functions/diagonal.php ( 0.70 KB )
/www/wwwroot/thinker/admin/vendor/markbaker/matrix/classes/src/Functions/identity.php ( 0.70 KB )
/www/wwwroot/thinker/admin/vendor/markbaker/matrix/classes/src/Functions/inverse.php ( 0.69 KB )
/www/wwwroot/thinker/admin/vendor/markbaker/matrix/classes/src/Functions/minors.php ( 0.69 KB )
/www/wwwroot/thinker/admin/vendor/markbaker/matrix/classes/src/Functions/trace.php ( 0.69 KB )
/www/wwwroot/thinker/admin/vendor/markbaker/matrix/classes/src/Functions/transpose.php ( 0.71 KB )
/www/wwwroot/thinker/admin/vendor/markbaker/matrix/classes/src/Operations/add.php ( 0.93 KB )
/www/wwwroot/thinker/admin/vendor/markbaker/matrix/classes/src/Operations/directsum.php ( 0.95 KB )
/www/wwwroot/thinker/admin/vendor/markbaker/matrix/classes/src/Operations/subtract.php ( 0.96 KB )
/www/wwwroot/thinker/admin/vendor/markbaker/matrix/classes/src/Operations/multiply.php ( 0.98 KB )
/www/wwwroot/thinker/admin/vendor/markbaker/matrix/classes/src/Operations/divideby.php ( 0.96 KB )
/www/wwwroot/thinker/admin/vendor/markbaker/matrix/classes/src/Operations/divideinto.php ( 1.00 KB )
/www/wwwroot/thinker/admin/vendor/topthink/think-helper/src/helper.php ( 2.88 KB )
/www/wwwroot/thinker/admin/vendor/karsonzhang/fastadmin-addons/src/common.php ( 15.07 KB )
/www/wwwroot/thinker/admin/thinkphp/library/think/Route.php ( 60.23 KB )
/www/wwwroot/thinker/admin/thinkphp/library/think/Config.php ( 6.38 KB )
/www/wwwroot/thinker/admin/thinkphp/library/think/Hook.php ( 4.71 KB )
/www/wwwroot/thinker/admin/vendor/overtrue/wechat/src/Kernel/Support/Helpers.php ( 2.63 KB )
/www/wwwroot/thinker/admin/vendor/overtrue/wechat/src/Kernel/Helpers.php ( 1.89 KB )
/www/wwwroot/thinker/admin/vendor/topthink/think-captcha/src/helper.php ( 1.59 KB )
/www/wwwroot/thinker/admin/thinkphp/library/think/Validate.php ( 41.63 KB )
/www/wwwroot/thinker/admin/vendor/topthink/think-queue/src/common.php ( 1.19 KB )
/www/wwwroot/thinker/admin/thinkphp/library/think/Console.php ( 23.13 KB )
/www/wwwroot/thinker/admin/thinkphp/library/think/Error.php ( 3.77 KB )
/www/wwwroot/thinker/admin/thinkphp/convention.php ( 10.37 KB )
/www/wwwroot/thinker/admin/thinkphp/library/think/App.php ( 21.58 KB )
/www/wwwroot/thinker/admin/thinkphp/library/think/Request.php ( 49.78 KB )
/www/wwwroot/thinker/admin/application/config.php ( 12.14 KB )
/www/wwwroot/thinker/admin/thinkphp/library/think/Env.php ( 1.21 KB )
/www/wwwroot/thinker/admin/application/database.php ( 2.09 KB )
/www/wwwroot/thinker/admin/application/extra/addons.php ( 0.32 KB )
/www/wwwroot/thinker/admin/application/extra/queue.php ( 0.55 KB )
/www/wwwroot/thinker/admin/application/extra/site.php ( 0.98 KB )
/www/wwwroot/thinker/admin/application/extra/upload.php ( 0.87 KB )
/www/wwwroot/thinker/admin/application/tags.php ( 1.23 KB )
/www/wwwroot/thinker/admin/application/common.php ( 23.67 KB )
/www/wwwroot/thinker/admin/thinkphp/helper.php ( 17.30 KB )
/www/wwwroot/thinker/admin/thinkphp/library/think/Debug.php ( 7.13 KB )
/www/wwwroot/thinker/admin/thinkphp/library/think/Log.php ( 6.05 KB )
/www/wwwroot/thinker/admin/addons/summernote/Summernote.php ( 1.01 KB )
/www/wwwroot/thinker/admin/vendor/karsonzhang/fastadmin-addons/src/Addons.php ( 7.05 KB )
/www/wwwroot/thinker/admin/addons/user/User.php ( 2.53 KB )
/www/wwwroot/thinker/admin/thinkphp/library/think/Cache.php ( 6.10 KB )
/www/wwwroot/thinker/admin/thinkphp/library/think/cache/driver/File.php ( 7.27 KB )
/www/wwwroot/thinker/admin/thinkphp/library/think/cache/Driver.php ( 5.98 KB )
/www/wwwroot/thinker/admin/application/common/behavior/Common.php ( 3.02 KB )
/www/wwwroot/thinker/admin/thinkphp/library/think/Lang.php ( 7.42 KB )
/www/wwwroot/thinker/admin/thinkphp/lang/zh-cn.php ( 11.81 KB )
/www/wwwroot/thinker/admin/application/index/lang/zh-cn.php ( 10.79 KB )
/www/wwwroot/thinker/admin/extend/fast/Form.php ( 39.79 KB )
/www/wwwroot/thinker/admin/application/index/controller/Question.php ( 3.18 KB )
/www/wwwroot/thinker/admin/application/common/controller/Frontend.php ( 4.81 KB )
/www/wwwroot/thinker/admin/thinkphp/library/think/Controller.php ( 6.07 KB )
/www/wwwroot/thinker/admin/thinkphp/library/traits/controller/Jump.php ( 4.90 KB )
/www/wwwroot/thinker/admin/thinkphp/library/think/View.php ( 6.77 KB )
/www/wwwroot/thinker/admin/thinkphp/library/think/view/driver/Think.php ( 5.64 KB )
/www/wwwroot/thinker/admin/thinkphp/library/think/Template.php ( 44.90 KB )
/www/wwwroot/thinker/admin/thinkphp/library/think/template/driver/File.php ( 2.24 KB )
/www/wwwroot/thinker/admin/application/common/library/Auth.php ( 14.53 KB )
/www/wwwroot/thinker/admin/thinkphp/library/think/Cookie.php ( 7.54 KB )
/www/wwwroot/thinker/admin/application/common/model/Config.php ( 6.71 KB )
/www/wwwroot/thinker/admin/thinkphp/library/think/Model.php ( 69.14 KB )
/www/wwwroot/thinker/admin/thinkphp/library/think/Url.php ( 12.72 KB )
/www/wwwroot/thinker/admin/addons/summernote/config.php ( 3.35 KB )
/www/wwwroot/thinker/admin/application/common/model/CourseQuestion.php ( 3.79 KB )
/www/wwwroot/thinker/admin/thinkphp/library/think/Db.php ( 6.67 KB )
/www/wwwroot/thinker/admin/thinkphp/library/think/db/connector/Mysql.php ( 3.89 KB )
/www/wwwroot/thinker/admin/thinkphp/library/think/db/Connection.php ( 29.97 KB )
/www/wwwroot/thinker/admin/thinkphp/library/think/db/Query.php ( 93.77 KB )
/www/wwwroot/thinker/admin/thinkphp/library/think/db/builder/Mysql.php ( 4.53 KB )
/www/wwwroot/thinker/admin/thinkphp/library/think/db/Builder.php ( 31.81 KB )
/www/wwwroot/thinker/admin/runtime/temp/7bb04554007dcc8fe0a9ad74acc6d5fa.php ( 9.67 KB )
/www/wwwroot/thinker/admin/thinkphp/library/think/Response.php ( 8.28 KB )
/www/wwwroot/thinker/admin/thinkphp/library/think/debug/Html.php ( 4.17 KB )
[ BEHAVIOR ] Run Closure @app_init [ RunTime:0.000016s ]
[ CACHE ] INIT File
[ BEHAVIOR ] Run Closure @app_init [ RunTime:0.000998s ]
[ BEHAVIOR ] Run app\common\behavior\Common @app_init [ RunTime:0.000325s ]
[ LANG ] /www/wwwroot/thinker/admin/thinkphp/lang/zh-cn.php
[ BEHAVIOR ] Run app\common\behavior\Common @app_dispatch [ RunTime:0.000015s ]
[ ROUTE ] array ( 'type' => 'module', 'module' => array ( 0 => 'index', 1 => 'question', 2 => 'detail', ), )
[ HEADER ] array ( 'cache-control' => 'max-age=259200', 'via' => '1.1 squid-proxy-5b5d847c96-brfqg (squid/6.13)', 'accept-encoding' => 'gzip, br, zstd, deflate', 'user-agent' => 'Mozilla/5.0 AppleWebKit/537.36 (KHTML, like Gecko; compatible; ClaudeBot/1.0; +claudebot@anthropic.com)', 'accept' => '*/*', 'connection' => 'close', 'x-forwarded-proto' => 'http', 'x-forwarded-for' => '10.1.3.43, 216.73.216.235', 'x-real-ip' => '216.73.216.235', 'host' => '36.150.231.178', 'content-length' => '', 'content-type' => '', )
[ PARAM ] array ( 'id' => '4190130', )
[ LANG ] /www/wwwroot/thinker/admin/public/../application/index/lang/zh-cn.php
[ BEHAVIOR ] Run app\common\behavior\Common @module_init [ RunTime:0.000879s ]
[ BEHAVIOR ] Run \addons\summernote\Summernote @config_init [ RunTime:0.000113s ]
[ RUN ] app\index\controller\Question->detail[ /www/wwwroot/thinker/admin/application/index/controller/Question.php ]
[ DB ] INIT mysql
[ VIEW ] /www/wwwroot/thinker/admin/public/../application/index/view/question/detail.html [ array ( 0 => 'user', 1 => 'site', 2 => 'config', 3 => 'question', 4 => 'relatedQuestions', ) ]
0.064914s